








































一、系統簡介
1. 冷卻水分配系統,簡稱配水系統。
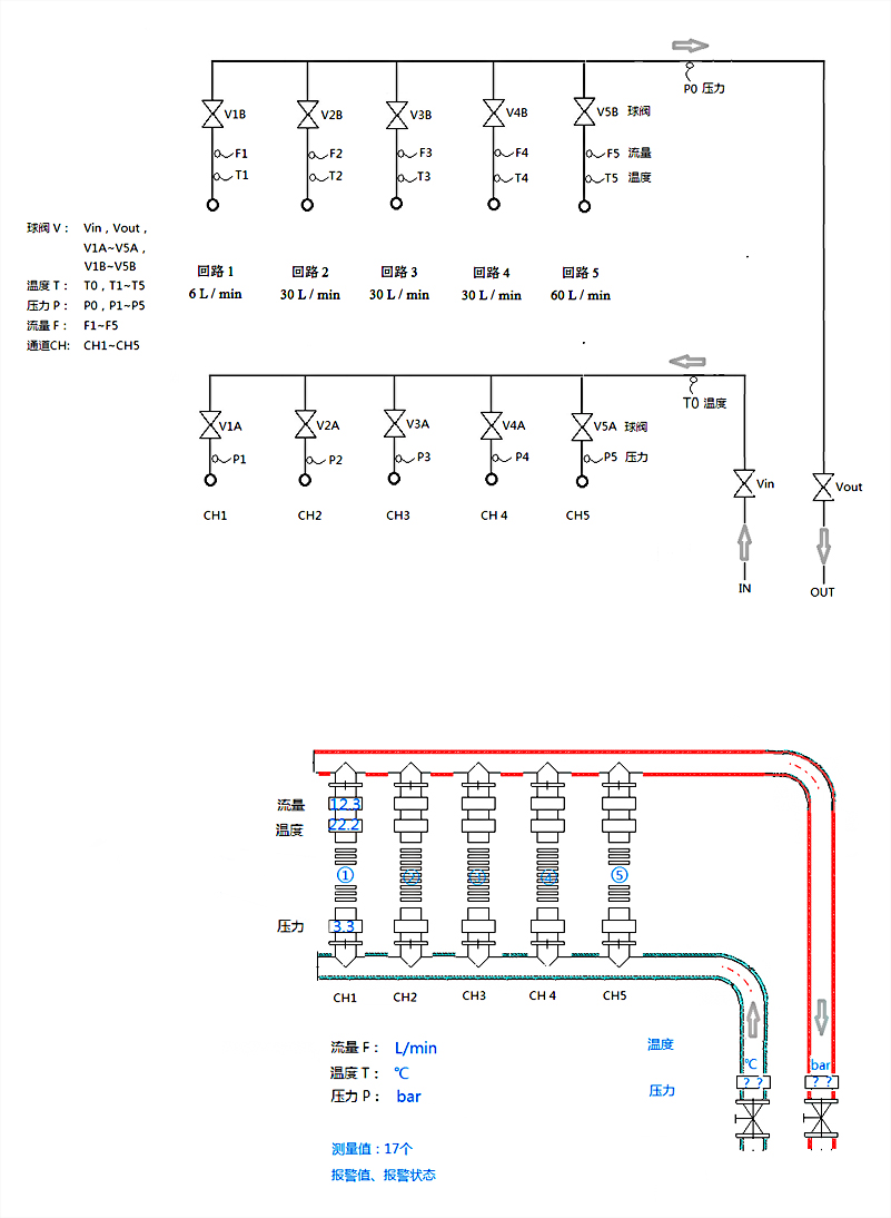
2. 每套配水系統可以提供5路進出水回路,5路水可以獨立實現開關操作,各配水系統相應水路的最大流量見下表,單位升/秒,可以允許多路水同時使用,總水流量最大為2.5升/秒(9噸/小時)。
配水柜位置 | 回路1 | 回路2 | 回路3 | 回路4 | 回路5 |
配水流量 升/秒 | 0.1 | 0.5 | 0.5 | 0.5 | 1 |
配水流量 升/分 | 6 | 30 | 30 | 30 | 60 |
3.每套配水系統的總出水管及每一路回水管安裝溫度傳感器,對水溫進行連續的實時監測,測量精度優于0.1°C。
4.每套配水系統的每一路回水管安裝流量計,對回水流量進行連續的實時監測,測量精度優于2%,流量計量程高于各路水路的最大水流量。
5.每套配水系統的總出水管及每一路回水管安裝水壓計,對出水、回水的壓力進行連續的實時監測,測量精度優于2%。
6.配水系統的溫度、流量、水壓等信息實時顯示在系統的顯示面板上;對以上信息的歷史數據進行存儲,并可以通過USB或其他方式轉移到上位計算機。
7.每套配水系統的各水回路具備獨立的溫度、流量及壓力報警功能,其報警閾值可以在合理范圍內進行設置。
(1)模擬量輸入:溫度、流量、壓力,共17路模擬量輸入
溫度6路:T0 ~ T5,(PT100模擬量,-50.0~100.0 ℃)
壓力6路:P0 ~ P5,(4~20mA模擬量,0~10.0 bar )
流量5路:F1 ~ F5,(4~20mA模擬量,F1:0~16.0 L/min;
F2-F3-F4:0~40.0; F5:0~100.0)
(2)開關量輸出:含5路獨立報警、1路總報警,共6路;
每路的溫度、流量、壓力可以設定報警值(區間值,比如上下限值)
(3)通訊輸出:可通過無線方式,送到位于同一大廳內的上位PC機。
(4)觸摸屏顯示:帶歷史數據記錄、查詢功能;歷史報警記錄、查詢功能。

二、操作指南
本機主要的操作,在觸摸屏上進行,有良好的人機操作界面。
操作界面全中文顯示,包括:主界面、參數設定、手動操作、數據查詢、報警查詢。
2.1 開機畫面
在正確的設備安裝和電氣連接后,打開設備前上部的電氣箱,合上空氣開關,即可開機。開機后,系統開始自檢,之后觸摸屏顯示開機畫面,如下圖:
點擊右下角‘進入’,可進入主界面。

2.2 主界面
主界面,以圖文的形式,顯示設備的主要組成部件、測量值和報警信號。主界面全面地表達了設備的組成,溫度、流量、壓力的實時測量值。
在主界面的下方,設置了幾個功能按鍵,方便跳轉到其它功能頁面,比如參數設定、數據查詢、報警查詢、聯系我們等。
主界面,包括以下主要部分:
1)模擬量采集:溫度、流量、壓力,共17路模擬量的實時采集和顯示。
① 溫度6路:T0 ~ T5,(-50.0~100.0 ℃)
② 壓力6路:P0 ~ P5,(0~10.0 bar )
③ 流量5路:F1 ~ F5,(F1:0~16.0 L/min;F2-F3-F4:0~40.0;F5:0~100.0)
2)報警和通訊:在報警和通訊狀態,主界面有相應的圖文閃動示意。報警項目包括:① 溫度、流量、壓力的測量值是否超出量程;
② 溫度、流量、壓力的測量值是否超出用戶設定的報警值;
③ 與上位機通訊是否正常。
在進入報警狀態后,屏幕圖文閃爍,測量值實時閃爍,顯示報警項目,并自動記錄報警的種類、發生時間。
與上位機通訊時,顯示屏上方指示通訊狀態。

2.3 參數設定
本機的參數設定,是指用戶常用參數的屏幕輸入,界面如下圖。
可修改的用戶報警參數包括:溫度、流量、壓力的報警上下限設定。用戶按需設定即可。
用戶需要修改參數,只需點擊相應的數值,在屏幕上輸入進行修改,保存即可,保存后立即生效。若輸入的數值,超出可設定的范圍,會有相應的報錯提示信息。

2.4數據記錄
運行過程中,溫度、流量、壓力等測量值,本機自動實時保存。
用戶可以將數據上傳到上位機,進行編輯、保存、打印等操作,也可以在本機屏幕查看。查看時,可使用屏幕上的滾動條和觸摸按鍵。

2.5報警查詢
本機的報警,都是聲光同時報警,主要包括溫度、流量、壓力的上下限超限報警。
每個報警產生的時間、故障描述、報警結束的時間,都有實時的記錄。
當報警記錄較多時,為了方便查看,可使用屏幕下方的翻頁按鍵,快速瀏覽。
報警聲音較大,若現場需要關掉報警聲,可點擊‘報警消音’鍵。

報警輸出:本機帶有總報警和每路報警的開關量輸出,常開常閉可選,可作為用戶設備的連鎖報警信號,確保在溫度、壓力、流量異常的情況下,保護用戶設備。
在本機斷電時,可視作異常,也可輸出異常報警連鎖信號。

